Keevitustransformaator

iDevice ikoon Keevitustransformaator

Keevitustransformaator toodab keevitamiseks vahelduvvoolu.

2.3 Keevitustransformaatori üldskeem

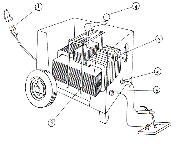
Keevitustransformaatori ehitus
1. Ühendus vooluvõrguga – подключение к сети
2. Transformaatori sisse- ja väljalülitamine – включение и выключение трансформатора
3. Transformaator (ühefaasiline) – трансформатор (однофазный)
Transformaatori ülesanne: muundab kŏrge võrgupinge madalaks keevituspingeks ja väikese võrguvoolu suureks keevitusvooluks.
Его задача: изменяет высокое сетевое напряжение в низкое сварочное напряжение и низкий сетевой ток в высокий сварочный ток.
4. Keevitusvoolu reguleerimine – регулировка сварочного тока
5. Keevituskaabli ühendamine toiteseadmega – подсоединение сварочного провода
6. Tagasivoolu kaabli ühendamine toiteseadmega – клемма подсоединения заземления

Keevitustransformaatori puudused
1. Ei sobi keevitamiseks elektroodidega, millel on aluseline kate.
2. Kõrgendatud elektriohuga ruumides lubatakse keevitada aparaadiga, mille tühijooksu pinge ei ole üle 48V. Kui tühijooksu pinge on madal, siis halvenevad keevitusomadused, nt. kaare süütamine.
3. Reeglina ühendatakse transformaator vooluvõrku ühe või kahe faasiga ja seetõttu koormab ta võrku ebaühtlaselt.

Keevitustransformaatori eelised

1. Puudub magnettuul.
2. Lihtne ja töökindel konstruktsioon.
3. Teistest keevitusseadmetest tunduvalt odavam.