Keevituskaare süütamine TIG keevitamisel
Selleks, et süüdata keevituskaart elektroodi ja detaili vahel, peab elektroodi ja detaili vaheline ala olema elektrit juhtiv. Kõrge temperatuuri tõttu elektrikaare süütamisel muutub kaitsegaas siin elektrijuhiks.
Elektrikaare süütamisel on olemas kaks meetodit, kus kaart süüdatakse elektroodiga metalli puudutades või metalliga kontaktivabalt.
Kaare süütamine elektroodi puutega vastu metalli

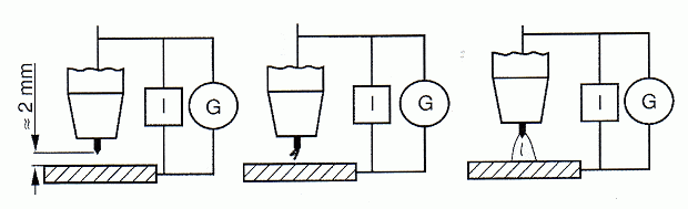
4.6. Elektroodi puutega kaare süütamine
Koosneb järgmistest etappidest:
1. elektroodi lähendamine detailile;
2. elektroodi puude detailiga, lühise teke, kaare süttimine;
3. elektroodi eemaldamine detailist ja keevitamise alustamine.
Volframelektroodi puutega detailil või keevitusvannis võib juhtuda, et puruneb elektrood ja tükid võivad sattuda keevisvanni. Elektrood võib sulada ja selle järel põleb kaar ebastabiilselt. Kui kaart süüdata lisaplaadil, võime vältida tükkide sattumist keevisvanni. Elektroodi lisandeid keevisvannis loetakse keevitusdefektideks.
Elektroodi puutega kaare süütamise moodust saame kasutada ainult alalisvooluga keevitamisel.
Kontaktivaba elektrikaare süütamine kõrgsagedusimpulsi abil

4.7. Kaare süütamine kontaktivabalt
Koosneb järgmistest etappidest:
1. elektroodi lähendamine detailile umbes 2 mm kaugusele;
2. elektrikaare süütamine kõrgsagedusimpulsside abil;
3. elektrikaare süttimine ja keevitamise alustamine.
I – kõrgepinge impulsside tootja, ostsillaator
G – keevitusvoolu allikas
Selle moodusega on võimalik elektrikaart süüdata nii alalis- kui vahelduvvoolu korral.